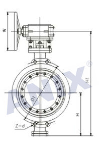
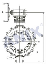
高性能凸耳對夾式
蝶閥:不銹鋼、雙相鋼、碳鋼、鈦、鎳等材質
埃尼斯集團凸耳式和對夾式三偏心蝶閥產品特點:
1、蝶板密封面采用堆焊鈷基硬質合金,密封面耐磨損,使用壽命長。
2、大規格蝶板采用絎架結構,強度高,過流面積大,流阻小。
3、本閥具有雙向密封功能,安裝時不受介質流向的限制,也不受空間位置的影響,可在任何方向安裝。
4、驅動裝置可以多工位(旋轉90°或180°)安裝,便于用戶使用。
5、本閥采用三偏心密封結構,閥座與蝶板幾乎無磨損,具有越觀越緊的密封功能。
6、密封圈選用不銹鋼制作,具有金屬硬密封和彈性密封的雙重優點,無論在低溫和高溫的情況下,均具有優良的密封性能,具有耐腐蝕,使用壽命長等特點。



















